Jít do obsahu fóra

Nejsi přihlášen. Přihlas se nebo se zaregistruj.


(Stránka 2 z 4)

Audioweb.cz » Projekty stojanových reprosoustav » Nyksu - 2p s SEAS U16RCY/P, 27TF1 a Visaton WG148R

  Stránky: ««« 1 2 3 4 »»»

RSS

Příspěvky [21 až 40 z 79]

(upravil marcin 12. 10. 2024 23:59)

Re: Nyksu - 2p s SEAS U16RCY/P, 27TF1 a Visaton WG148R

kaed napsal:

nechtělo by to jinej WG? Dá se to vytisknout za dvě hodiny na obyč 3d tiskárně, stačí profil a rozteče upevňovacích šroubů, a může se měřit.

Ano, staci profil. A skusal si ho navrhnut/odsimulovat jeho spravanie a potom aby si aj sadol s konkretnou kalotou? smile

WG148 a hlboky medzikus kvoli OC25SC65:
https://i.postimg.cc/njgnFBbc/WG148-R-OC25-SC65.png

(upravil kaed 13. 10. 2024 11:01)

Re: Nyksu - 2p s SEAS U16RCY/P, 27TF1 a Visaton WG148R

Nezkoušel, ale na to jsou asi jiní odborníci. Já bych to dokázal nacpat do 3d cadu a vytisknout, nic víc.
EDIT: myslíš si, že ta díra -3db na 8kHz je tím mezikusem?

(upravil marcin 13. 10. 2024 19:19)

Re: Nyksu - 2p s SEAS U16RCY/P, 27TF1 a Visaton WG148R

Dnes uz na navrh dobreho WG az taky odbornik nemusis byt. Len to zaberie dost casu doiterovat ho do pozadovanych vlastnosti vratane kaloty a ozvucnice. Nevyhoda tiez je, ze intuicia tu moc nepomaha. Ako napisal prog, velkou vyhodou su viac vypukle kaloty, to robi skoro zazraky.

Myslim, ze ta diera nesuvisi s medzikusom, je to tym peerlessom, resp. interakcia s WG148.

Re: Nyksu - 2p s SEAS U16RCY/P, 27TF1 a Visaton WG148R

prog napsal:

Ten Visatoňácký WG pasuje na Seas bez úprav nebo tam máš ještě nějakou redukci?

Stačí jen zvětšit průměr montážních děr na faceplatu SEASu.

dawsoo napsal:

Takže ten seas 27TF toto dělá na těch 6k i volně venku a i rovný v desce? ... kolik cm dáváš na ty NF?

Je to vlastní rezonance, takže okolí nemá vliv. NF měříš co nejblíž membrány, může být i dál, ale s rostoucí vzdáleností se víc projevuje difrakce bafflestepem.


Tady ff a impedance:

https://i.postimg.cc/kXjhJQYw/bhor.png https://i.postimg.cc/YChDhvJ7/bi.png
https://i.postimg.cc/wBNWQSqb/vhor.png https://i.postimg.cc/BnkYDq0K/vi.png

Re: Nyksu - 2p s SEAS U16RCY/P, 27TF1 a Visaton WG148R

To je slusny, hodne slusny.

ruzne DIY repro

Web

(upravil dawsoo 14. 10. 2024 8:56)

Re: Nyksu - 2p s SEAS U16RCY/P, 27TF1 a Visaton WG148R

antonio:
Jasný rozumím,jen mi na 6k prostě "nepasoval vlnově rozměr" takže stoják přímo na středu textilního vrchlíku... jinak super tohle už vypadá dobře,díky za obrázek!

Re: Nyksu - 2p s SEAS U16RCY/P, 27TF1 a Visaton WG148R

dawsoo, žádný stoják, viz předchozí post. Je to stejná rezonance mechanického původu jako u kovových kalot, jen jinde a jinak. Horní část kaloty se oproti základně s cívkou rozkmitá s větší amplitudou v celé ploše, u vrchu nejvíc - to je hmota; poddajnost a tlumení pak tvoří vlákna kaloty v místě zlomu.

(upravil 4mike 14. 10. 2024 13:42)

Re: Nyksu - 2p s SEAS U16RCY/P, 27TF1 a Visaton WG148R

Kocour napsal:

To je slusny, hodne slusny.

na výšku za 55E + WG pod pětikilo to ujde smile

(upravil dawsoo 14. 10. 2024 16:15)

Re: Nyksu - 2p s SEAS U16RCY/P, 27TF1 a Visaton WG148R

Ahá rezonance/breakup na membráně není stoják? big_smile To jsou tedy věci.

Kombinace k sobě kvalitativně celkem sedí,výsledek bude odpovídající použitým seas repro.

Re: Nyksu - 2p s SEAS U16RCY/P, 27TF1 a Visaton WG148R

dawsoo, takže vlastní rezonance fs stejné mass-spring podstaty je taky stojatá vlna?


Tady je měření třech nátrubků se stejným vnitřním průměrem. Rovný nátrubek přesunul naladění na 42,6 Hz a zmizel násobek vlastní první rezonance na 1,3 kHz.

původní ohnutý / zkrácený o 20 mm, ohnutý / rovný 200 mm
https://i.postimg.cc/1zYjxxZ3/shot001.png

Re: Nyksu - 2p s SEAS U16RCY/P, 27TF1 a Visaton WG148R

Tady je doplnění o nátrubek ohnutý do 45° s perforací.

• holý nátrubek s perforací odstraní první rezonanci, ale posune ladění výš a navíc výrazně zvedne v této oblasti zkreslení hov
obtočený HEPA filtr (hustý sněhově bílý) síly 3-4 mm už v jedné vrstvě pomůže zkreslení, ale ne na úroveň nátrubku bez perforace hmm
2x obtočený HEPA filtr (hustý sněhově bílý) srazí zkreslení na úroveň nátrubku bez perforace potl
2x obtočený HEPA filtr (řídká struktura) má zkreslení ne daleko od nátrubku s perforací hov

Nějak bude fungovat i filc z hadry na podlahu, nutno zkusit.

nic / HEPA hustý / 2x HEPA hustý / 2x HEPA řídký
https://i.postimg.cc/Z5CjmDbs/shot002.png

https://i.postimg.cc/fS3Y5gKf/nic.jpg https://i.postimg.cc/kDZQDqJ1/1xhepa.jpg https://i.postimg.cc/DJwr4z4D/2xhepa.jpg https://i.postimg.cc/mhc9vJYQ/2xmenalux.jpg

Re: Nyksu - 2p s SEAS U16RCY/P, 27TF1 a Visaton WG148R

To ses někde inspiroval? Ještě jsem na to nikde nenarazil.
Je to zajímavý řešení použít díry jako jsou u absorpčních panelů na nátrubek.

Re: Nyksu - 2p s SEAS U16RCY/P, 27TF1 a Visaton WG148R

Podobne experimentovali pri ladení BR na hificompasse.

Re: Nyksu - 2p s SEAS U16RCY/P, 27TF1 a Visaton WG148R

paf, už nevím, kde jsem to viděl prvně, je to dlouho, jen jsem to nikdy nevyzkoušel, až teď; zadej si "self port resonance". Podobně to eliminuje i KEF s flexibilní střední částí. Toto bylo na vrtání hrozné. Naštěstí já to nedělal. smile Umím si představit jednoduchou výrobu a modifikaci u štěrbinového bassreflexu.


Takto vypadá nové měření s upraveným nátrubkem.

https://i.postimg.cc/Wz6pTHh8/u16rcyp.png https://i.postimg.cc/4yTNCgNn/u16rcypi.png
https://i.postimg.cc/zf6GjhsC/27tf1.png https://i.postimg.cc/sXWD0Xzt/27tf1i.png

Re: Nyksu - 2p s SEAS U16RCY/P, 27TF1 a Visaton WG148R

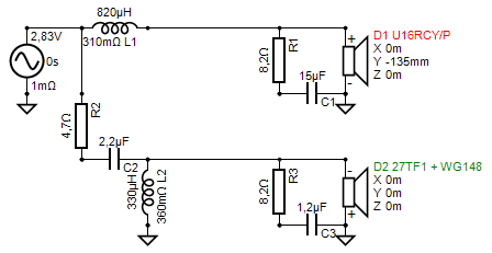
Poslechnuta tato první verze a moc se asi nezmění, filtry 18/12 dB.

https://i.postimg.cc/8kmq251w/schema.png

https://i.postimg.cc/x8nBkrPK/pack.png
https://i.postimg.cc/ZnH2pffX/shot001.png https://i.postimg.cc/Kvcdx2jb/shot002.png

Re: Nyksu - 2p s SEAS U16RCY/P, 27TF1 a Visaton WG148R

Bednu v monu jsem měl postavenu vedle projektu Unibox 5B2. Přímo k věci - Nyksu není můj šálek čaje a na rovinu říkám, že to nejsou moc dobré bedny. Požitek z hudby se nedostavuje, relaxovat mi u nich nešlo. Vše to je ale jen o srovnání a pokud ho někdo nemá a neměl bedny lepší, nebude hodnotit tak kriticky. Takto jsem to slyšel u sebe a jsem zvědav, jaké to bude jinde.

Co je dobré, tak vzhledem k dobrému sladění fází je zvukové pole jednotné a žádné frekvence vyloženě nevyčnívají nebo nechybí. Jiná věc jsou tranzienty, uvolněnost, přirozenost projevu. Výškáč postrádá detail, je pod dekou a nevýrazný; čekal jsem jasnější sykavky, ale není to špatné. Rozhodně je lepší poslouchat tyto výšky bez života, než otravné Sica LP98.25/245TW v projektu Harris MKII.

Ozvučnice mě vzhledem a kvalitou zpracování nadchla, povrchovka je odolná; uvnitř je to ale krabice s jednou obvodovou vzpěrou. Bassreflex zprvu zlobil, ale podařilo se ho zkrotit. Box přibarvuje, má jasný dozvuk a boční stěny vytváří vlastní harmonické, což všechno má velký díl na celkovém dojmu.

Bedny není dobré pouštět moc hlasitě. To ale ani Uniboxy.


U16RCY/P jsem prozkoumal blíž a změřil v blízkém poli tady. Kónus má prohnutý exponenciální tvar (odtud asi Curv cone), materiál je tkaný PP (woven polypropylene) a přejetím se prst zadrhává; původně jsem myslel, že oproti běžnému polypropylenu půjde jen o vnější vzhled a povrch bude hladký, je tu tedy podobnost s membránami z uhlíkových/kevlarových vláken. Takto provedený kónus má i své typické rezonance. Kónus je podobně jako u ARN 567 yikes nestabilní kolem 280 Hz, kdy protilehlá místa krajů kónusu mají jiný rozkmit s rozdílem až 3 dB (což pro stejnou aktivní plochu by dělalo √2násobek rozkmitu). Středění má několik vlnek a je široké, na 320 Hz má rezonanci, viditelnou na impedanci zde. Dál je chování ještě zajímavější. Koš je poctivý odlitek. Magnet neobsahuje Al prstenec a provedení trnu bude asi základní bez T vybrání, změna Le(X) je tedy velká, takže s rozkmitem se vlní i střední pásmo. Harmonické zkreslení je hlavně na nižších středech zvýrazněné a trpí i vyššími harmonickými. Basy jsou "přebarveny" nejbližšími harmonickými (2. a 3.) a základní harmonická je tak přehlušena a vnímána jako slabší spodek. Klavír je zkreslený a nepřirozený; chtěl jsem zkusit jiný zesilovač, ale ten nemám, každopádně Dayton RS150 je v porovnání vyspělejší reproduktor s čistějším zvukem.


U16 jsou možná bez úprav i v bednách Fischer & Fischer SN/SL 270AMT, v d'Appolitu s 6dB filtrem.

Re: Nyksu - 2p s SEAS U16RCY/P, 27TF1 a Visaton WG148R

Chtělo by se ti někam napsat, jaké jsou výhody a nevýhody pasivní membrány vs bassreflex?
Ty konstrukce nikdo moc nedělá, tak to má asi nějaký důvod.
Je to cena nebo nedostupnost, případně nutnost vlastní výroby těch pasivů?
Nebo to není až tak dobré?

Re: Nyksu - 2p s SEAS U16RCY/P, 27TF1 a Visaton WG148R

Bassreflex je levnější, ladění pasivem není pro každého (drahý)

Re: Nyksu - 2p s SEAS U16RCY/P, 27TF1 a Visaton WG148R

Zatím neposlechnutá verze s 6/12 filtry.

https://i.postimg.cc/zB1cMm69/schema.png

https://i.postimg.cc/TPbsC27V/pack.png
https://i.postimg.cc/0jkHkY8n/shot001.png https://i.postimg.cc/26FKNcf3/shot002.png


jardag69, osobně nemám s pasivem zkušenost. Je toho ale plný net. Stačí googlit.

Re: Nyksu - 2p s SEAS U16RCY/P, 27TF1 a Visaton WG148R

antonio napsal:

Jiná věc jsou tranzienty, uvolněnost, přirozenost projevu. Výškáč postrádá detail, je pod dekou a nevýrazný; čekal jsem jasnější sykavky, ale není to špatné.

Koreluje s tymto pozorovanim nieco aj na merani? Alebo to z tych merani nie je vidiet? Dakujem.

Příspěvky [21 až 40 z 79]

  Stránky: ««« 1 2 3 4 »»»

Audioweb.cz » Projekty stojanových reprosoustav » Nyksu - 2p s SEAS U16RCY/P, 27TF1 a Visaton WG148R

Podobná témata


~±«|»¼½¾²³&@µΩπØ$£
Sekabet spor bahisleri ve casino oyunlarıyla sekabet güncel giriş adresinde sizlerle.