Téma: Rotel RSX 1067 - problém na digital boardu
Ahoj,
chtěl bych vás, zkušené borce, poprosit o radu. Objevil se mi problém na receiveru Rotel RSX 1067, pravděpodobně na digital boardu, na kterém se řeší audio signály. Usuzuju podle toho, že když připojím signály na analogové vstupy (multikanál), tak to hraje. Jakože všechny kanály. Ale přes digitální vstupy je ticho po pěšině. Prověřil jsem napájecí desku, kde jsou pomocné zdroje (+5V, +/-12V, +/-6V, +/-18V), tam se zdá být vše OK. Na tom digi boardu jsou ještě zdroje 2,5V a 3,3V. Ten 2,5V je OK. K 3,3V je špatný přístup. Musím si to vzít do práce na pájecí stanici a heftnout si tam drátky, abych to mohl změřit aniž by mi hrozilo že něco zku.... Když jsem tu desku okem zkoumal, všiml jsem si nějaké rozevřené součástky. Podle značení nějaký kondík. Trochu zvláštní kondík. V seznamu součástek v servisním manuálu jsem ho nenašel. Jen ve schématech. Možná jsem slepý. Tak jsem googlil. Podle strejdy googla by se mělo jednat o superkondenzátor k záloze eeprom, která je na desce kousek vedle. Otázka na vás, když bych ho vyměnil, je šance, že by to mohlo fungovat? Nebo se mohlo něco z eeprom nenávratně smazat a muselo by se to znovu nahrát? Nemáte někdo s tímto nějaké zkušenosti? Jinak receiver žije. Na ovladač reaguje. Jako, čekal jsem, že brzy něco umře. Párkrát se mi stalo, že zničehonic vypnul zvuk a receiver se choval, jako kdyby se zasekl. Po vypnutí a zapnutí se zase rozjel. Teď už to byla konečná.
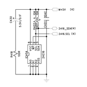
Ve schématku se jedná o kondenzátor C430
Karel






Na druhou stranu, zjistil jsem, že když v menu Rotelu pro nastavení zpoždění jednotlivých kanálů aktivuji testovací zvuk, tak ten hraje. Proto si myslím, že minimálně ty 4 výstupní DAC budou v pořádku. Nevím, co přesně ten testovací zvuk generuje, jestli dekodér prostorového zvuku (myslím si já), nebo řídící procesor. V dokumentaci od dekodéru jsem zmínku o testovacím zvuku nenašel. A ani v popisu jednotlivých pinů jsem nic nezahlédl, co by mohlo s testovacím zvukem souviset. Schémata jsem si nakonec pro lepší orientaci vytisknul jako plakát a barevně si poznačil signály, co by mohly být nějak zajímavé. Nakonec jsem ještě zkusil jednu věc ... všechny digitální vstupy vedou do švaba AK4114, který funguje jako přepínač. Asi. Z toho švába se jeden signál (DigiOut) vrací "zpět" ke konektorům, tentokrát k výstupním (coax a optical). Tak mě napadla taková prasárna ... připojit k Rotelu přes optiku DVD přehrávač. V něm jsem pustil CD. K optickému VÝSTUPU na Rotelu jsem připojil extérní DAC, a z toho pak analog na vstup "CD" opět na Rotelu. Tento vstup jsem aktivoval, přepnul jsem ho do režimu bypass, a čekal, co bude
. Jenže nebylo nic než ticho. Myslel jsem si, že tím vyzkouším funkčnost toho přepínače digitálních vstupů. Každopádně, na externím DAC ledka signalizovala, že optický vstup je aktivní. Ledka svítila. Pokud na vstupu nic není, ledka bliká. Ale nevím, jak to přesně funguje. Jestli mu stačí jen když do optického vstupu přichází světlo, tak to bere jako OK, nebo tam musí chodit nějaké jedničky a nuly :-/ Jsem z toho jelen. I když, teď když to píšu, a přemýšlím na tím, tak si říkám, že dělat to takhle je asi blbost. Asi jsem ten analog z externího DAC měl zapojit do druhého zesilovače. Protože tomu přepínači AK4114 je asi potřeba říct, na který signál má přepnout. Pokud jsem Rotela přepnul na CD vstup s bypassem, tak ten přepínač digi vstupu byl asi mimo funkci. Nevím. Ještě to zkusím jednou, s použitím druhého zesilovače. Jinak, nemáte někdo nějaké zkušenosti, nebo tip na něco, co se v takových deskách kazí? Zkusím si z práce ještě někdy půjčit osciloskop. Třeba na něco ještě přijdu.














Podpora
Nahrát obrázek