Téma: Minizesilovač ASZ-120 Mk3
Pojal jsem záměr zesilovač z tohoto vlákna ještě trochu vylepšit, a tak vznikla verze Mk3.
Co se změnilo:
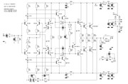
- jeden pár koncových tranzistorů mně s ohledem na výkonové namáhání přišel „na hraně“, a tak byl nahrazen dvěma páry darlingtonů (jednoduché tranzistory s budiči by mně do stávajícího rozměru nevešly, požadavkem bylo zachovat šířku DPS),
- vstupní dif. stupeň byl doplněn trimrem na přesné nastavení driftu,
- byly zvětšeny filtrační ellyty ze 6G8 na 4×2G2,
- byly provedeny menší změny v návrhu DPS a odstraněny 2 propojky.
Návrh 1vrstvé DPS existuje i s elektromechanickým relé (v11), tato verze ale nebyla odzkoušena.

Přestože v této diskusi byly vyjádřeny pochybnosti o teplotní stabilitě a rozdělení zatížení mezi paralelní darlingtony, nic z toho se v praxi neprojevilo.
Foto vzorku:

Na závěr pár měření se vstupním filtrem 1k + 330p a výst. tlumivkou.
1 kHz, 4 ohm, plný výkon >120 W








je to generatorom / osciloskopom? obzvlast ten 4R+1M je podobne pomaly ako bez kapacity... teda ak to odcitavam spravne? 50Vpp / 6us? to je menej ako 10... to je cudne, bud zle odcitavam alebo tam bude nieco zle?



Podpora
Nahrát obrázek