Téma: VA1000 - zosilnovac s vykonom >1kW
Asi od 9/2024 pracujem na novom zosilnovaci a uz konecne cosi mam co je prezentovatelne a vyzera vsetko byt zrealizovatelne, takze sem budem postupne pridavat progress stavby...
VA1000 - ako nazov napoveda jedna sa o zosilnovac s vykonom >1kW, bude to dizajnovo cosi na styl 1,2kW meku ale cele podla mna. Je to velmi velky a komplexny projekt tak sem budem postupne davat jednotlive funkcne bloky, mozno to niekomu pomoze ako inspiracia pri stavbe jeho zosilnovacov.
Prichadza wall of text, tak prijemne citanie
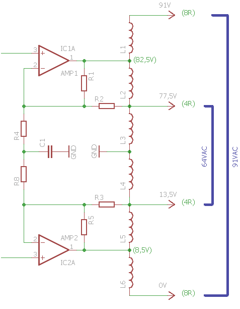
Zosilnovac bude zmostikovany monoblok (staviam dva monobloky). V jednej krabici su teda v mostiku dva samostatne zosilnovace ktore napajaju spolocne autotrafo s plavajucim vystupom.
Tato koncepcia sa mi velmi paci u mojho "mc502" pretoze to ma dokonale pssr, snr a lampovy zvuk s vykonom a dynamikou tranzistorov. Ci je to nezmysel a ze je to lepsie bez trafa mi pisat nemusite. Skusil som naozaj vela zosilnovacov a tato koncepcia je pre mna osobne zvukovo top. Mne staci vidiet co robi bezny zosilnovac do komplexnej zataze (ktorou su realne reproduktory) na nabeznej hrane a co robi autotrafo, mozno preto to hra tak dobre 
Samotne zosilnovace su klasicka overena celosymetrika, nic spesl len osadenie je trosku ine:
Na vstupe ONsemi 2N5551/5401 bez saturacnych diod a so zdrojom prudu cez ubytok b-e. Snazil som sa cosi naparovat cez bjt matcher od Laca, nikdy som neparoval a vzdy slo vsetko ok tak som zvedavy ci to bude mat tentoraz nejaky prinos
Rozkmitovy stupen som osadil rychlymi KSA1381/KSC3503, ktore su lokalne kompenzovane malou keramikou cim je mozne doladit prekmit obdlzniku. Za tym bude “pomalsi” predbudic ktory som osadil Toshibami TTA004/TTC004. Ako budice chcem pouzit klasicke MJE15032/33 - nie je to prave pretekar v rychlosti, ale bal som sa ze plastove toshiby (4793) by nemuseli zvladnut tak velky budiaci prud a kapacitu aku potrebujem. Aj tak je cele budenie schvalne prekompenzovane a spomalene kvoli vystupnemu trafu takze "pomalsie" budice nebudu vadit. Tieto MJEcka to vykonovo daju uplne bez problemu a budu budit celkovo 8 parov MJL1302/3281. Bude to napajane priblizne 2x65Vdc a kazda polovica mostika pojde do zataze 2,7R.
Koncove tranzistory jedneho kanalu mostiku su rozdelene na dva chladice a dve DPSky po 4 pary na kazdom. Dosky budu medzi sebou prepojene uzamykatelnym IDC plochym kablom ktory prepaja budenie a cidlo teploty proti prehriatiu. Kludovy prud je snimany len na jednom z chladicov a vymyslel som nekonvencny system snimania - na dps je vybezok pod ktorym je zo spodu osadeny to92 tranzistor. Je lokalizovany presne v mieste “okienka” velkeho vykonoveho tranzistora priamo nad cipom. Pri finalnej montazi a pajkovani vyvodov sa dps so snimacim tranzistorom len pritlaci cez teplovodivu pastu o vykonovy tranzistor co zabezpeci velmi rychlu a zaroven spolahlivu regulaciu kludoveho prudu.
Koncovy stupen ma zaroven velmi premyslene snimanie spatnej vazby lokalne z oboch dosiek, ako aj z vystupneho trafa, resp. z vystupnych konektorov - takze je kompenzovane nie len trafo, ale cele vedenie v zosilnovaci. Layout napajania je schvalne vedeny naokolo z vonkajsej strany po okrajoch DPS aby bolo minimalizovane rusenie do vystupu. Vykonove spoje su pre posilnenie zo spodu bez masky a kazdy koncovy tranzistor ma hned v kolektore malicky elyt. Tie este nemam osadene, pojdu tam male 80V lowesr. Vedenie zemi na doske je tiez absolutne separovane pre vykonovy koncovy stupen a pre vstupy, oba vyvedene na separatny faston a privedene oddelene az priamo k hlavnym elytom do spolocnej zeme.
Obidve dosky jedneho rozdeleneho koncoveho stupna su zrkadlove, takze vsetky NPN/PNP su na spolocnej strane, aj ked dosky budu vertikalne oproti sebe na chladicoch, vdaka tomu bude aj kablovanie moulov ovela jednoduchsie. Nizsie su nejake fotky modulov zosilnovacov, dalsie funkcne moduly sem hodim neskor postupne, mozno vecer ak bude cas.
druha cast na druhy chladic:
Audio vstupy su na malej pomocnej dosticke umoznujucej symetricky aj nesymetricky vstup prepinatelny malym packovym prepinacom. Ako invertor v pripade nesymetrickeho vstupu chcem pouzit OPA1611 aby bol minimalizovany akykolvek vplyv na zvuk. Chcel som tu to najlepsie co sa da takze aj na vstupe budu velke audiofilne polypropylenove kondenzatory (asi Jantzen Z-cap co sa mi zvysili z vyhybiek). Na doske je aj miniaturne rele pre funkciu MUTE ktore drzi vstup skratovany kym sa zosilnovac zobudza / vypina. Je tu aj remote in/out pre moznost zapinania zosilnovaca na dialku.
Tato doska v podstate vytvara spolocnu audio vstupnu zem aj zataz (10k) vstupov jednotlivych koncov. (Na doskach koncov su vstupne 100k odpory skor pre istotu keby odpadol kabel)
Dosticka, este nemam vsetko osadzene...
Riadenie + softstart som kreslil najdlhsie a je to extremne komplikovana a zhustena DPS plna tht suciastok s mnozstvom funkcii a dvoma galvanicky oddelenymi zdrojmi. Zaroven je tu velke mnozstvo funkcii riesene “po starom” bez potreby MCU pre lahky servis a spolahlivost.
Moj povodny napad bolo pouzit triak a ziadne standby a usetrit spotrebu. Ale aby som mohol zachovat niektore ochranne funkcie aj vo vypnutom stave bolo potrebne pouzit standby zdroj. Aby som mal co najnizsiu spotrebu vo vypnutom stave a minimalizoval elektromagneticke rusenie maleho EI trafka pouzil som maly spinak od Myrra s layoutom ako klasicke EI trafko (aby v pripade potreby servisu v dalekej buducnosti bolo lahko nahraditelne), je tu 5W SMPS s napatim 12VDC ktore v pripade zapinania napaja vykonove rele a este 5V regulator ktory trvale napaja ochranne obvody stabilizovanym napatim.
Zapnutie ma 3 rezimy: na “bezec” otocneho prepinaca je napojena baza tranzistoru, ktory spina hlavne vykonove 30A rele pre zapnutie vykonoveho trafa. Tato baza je bud uzemnena (off), pripojena cez optoclen o +5V vetvu (remote), alebo napevno pripojena o +5V zdroj (on).
Po zapnuti sa vykonove trafo pripoji cez 2x22R NTC vykonove termistory. Tieto maju schvalne takto vysoku hodnotu aby bol narazovy prud cim nizsi a bolo mozne zapinat pripadne aj dva monobloky naraz bez vyrazenia istica. V sietovej casti je aj ochranny varistor a filtracny X2 kondenzator priamo pri SMPS zdroji pre odrusenie. Po zapnuti vykonoveho trafa sa z jeho pomocneho vinutia tvarovacom signalu prevedie sietova frekvencia cez optoclen na vstup binarneho citaca CD4040. Tento cmos ma reset napojeny na kolektor tranzistora ktory spina hlavne vykonove rele, takze pri zapnuti sa okamzite zrusi reset a zacne pocitat sietove impulzy. Pouzil som synchronizaciu sietou z dovodu aby druhy monoblok bol casovany identicky. Treti vystup binarneho citaca je vyuzity ako delicka a indikuje prebiehajuci casovac blikanim LEDky na prednom paneli oznacenu ako “protect”. Po ubehnuti 2,5s cvakne druhe vykonove rele a skratuje NTC termistory, po dalsich 2,5s sa cez diody podrzi cvaknute rele softstartu a zaroven odcvakne rele mute ktore uvolni audio vstup. Potom LEDka protect zhasne.
Cely cas su z pomocneho standby zdroja trvalo napajane aj ochranne obvody:
Je tu tepelna ochrana cez komparator LM339 s 4x tepelnymi senzormi LM35 na kazdom chladici samostatne so spolocnou hystereziou. Pri presiahnuti teploty 80 stupnov (v blizkosti koncovych tranzistorov), komparator uzemni bazu tranzistora vykonoveho rele a vypne cely zosilnovac. Zaroven sa uzemni katoda LED diody “protect” takze bude trvale svietit na prednom paneli a indikovat chybu. Zosilnovac je blokovany proti zapnutiu kym teplota neklesne pod 50 stupnov, potom protect zhasne a zosilnovac sa zapne / je mozne ho zapnut.
Na doske softstartu je este jednoduchy analogovy zdroj symetrickych 15V vyrobenych zdvojovacom, pre napajanie operacnych zosilnovacov a podsvietenia. Tato doska riadenia je prepojena IDC kablami so vsetkym v zosilnovaci a vsetko snima/riadi.
Zdroj
Trafo popisem neskor separatne, ale sekundar bude usmerneny klasickym 50A dobre chladenym diodovym mostikom, za nim budu veeeelmi velke srubove elyty Kemet (este ich nemam, ale zrejme 2x62mF/100V). Aby som nemusel kupovat spony budu uchytene priamo do DPS a tato bude plnit zaroven funkciu drziaka. DPSka bude "vysiet" z chassis na 25mm stlpikoch a elyty budu prechadzat cez chassis hore. V otvoroch budu ochranne drziaky, viz foto nizsie.
Doska ma med z oboch stran a zo spodu vykonove spoje bez masky kam napajkujem nejake hrube medene droty alebo nieco. V pripade fatalnej poruchy (vyhorenie poistky napajania koncoveho stupna) som tu vymyslel ochranu odpalenej poistky. Aby sa nenapachali dalsie skody a ochranilo vystupne trafo, reproduktory, nevznikol poziar a pod…. paralelne na kazdu poistku je napojeny optoclen. Ak na vypalenej poistke je v podstate akekolvek napatie schopne zopnut optoclen, tento aktivuje jednoduchy dvojtranzistorovy latch, ktory sa preklopi a zablokuje bazu zapinacieho tranzistora podobne ako komparator tepelnej ochrany. Takto ho drzi blokovany a svieti LEDka protect, dokym sa neodpoji sietova snura.
Logaritmicky zosilnovac pre VU meter
Je to klasicke Mcintoshovske zapojenie. Pouzil som ale len snimanie napatia, bez snimania prudu a len z jednej polovice mostika. Pre jednoduchost mechancikej stavby je na doske zaroven aj jeden otocny prepinac, podsvietenie a ledka protect. Log amp je velmi presny, s moznostou zmeny/prisposobenia miery logaritmu a rychlosti rucicky co doladim potom presne podla stupnice. Na dosticke je kalibracny trimer meraku vyvedeny hore pre jednoduchost nastavenia finalnej kalibracie.
Na otocnych prepinacoch ci uz zapinania (na doske vu log ampu) alebo volby modov meraku je integrovane podsvietenie. Aby som mal minimum kablovania:

Analogove VU metre
Zohnat velke analogove VU metre je v dnesnej digitalnej dobe nemozne. Dokonca aj metra blansko robi najvacsie asi 12cm a stoja strasne vela, mozno by asi vedeli nejak na objednavku ale stalo by to nenormalne vela. Povodne som kupil ine mensie meraky a chcel len vymenit rucicku za dlhsiu a vyuzit motor na stavbu vacsich merakov. Mechanizmus a hlavne pruzinka merakov je ale daleko chulostivejsia mechanika ako som cakal, je to asi ako mechanicke naramkove hodinky
akykolvek dispabalnc alebo zmena hmotnosti komponentov ma obrovsky vplyv na funkcnost takze to nebola cesta. Uz som nevedel co dalej a zvazoval som pouzitie malickeho krokoveho motora a ADC s procesorom ktory by prevadzal analogovu napatovu uroven na uhol natocenia motora. Fungovalo by to asi celkom dobre a cosi uz som mal vymyslene, ale do takehoto “retro” zosilnovaca pchat digital som velmi nechcel.
Nakoniec som ale digitalnu cestu pouzit nemusel, … po dlhom hladani som objavil napodobeninu Mekovskych VU metrov co maju 20cm!!! co by sme robili bez ciny ze? Na ebay, ali a pod. to ma oznacenie "P-200". To bolo najvacsie co som nasiel a v podstate som kupil strasne drahe meraky len a len kvoli motoru s rucickou. Boli celkom drahe (aj s dph a postou vysiel jeden na 2500,-
) ale su absolutne uzasne, maju velmi tuhu pruzinu a velmi silny motor. Aj napriek tomu ze maju velmi dlhu rucicku su nenormalne rychle, dost som cumel a nevril vlastnym ociam. Maju rychlost asi ako 2-3cm mini meraciky, je to neuveritelne a toto potesenie vykompenzovalo sklamanie z vynalozenych nakladov
Motor z merakov som pouzil ako zaklad pre dalsiu upravu. Rucicka s motorom uz bola konecne dostatocne velka (11cm) ale cele pozadie malo potencial byt este vacsie. Chcel som cim vacsie meraky, a nechcel som plastove okno. Takze som ich cele komplet rozobral a okolo mechanizmu tychto merakov postavil vlastny domcek vytlaceny na 3d tlaciarni.
Dopredu dam realne sklo a samozrejme aj vlastne ociachovane pozadie odpovedajuce vykonu zosilnovaca. Planujem pouzit mliecne biele pozadie s ciernym textom. Sklo bude vlozene do vyfrezovanej kapsy zo zadnej casti panela a pridrzane ramcekom ktory zaroven drzi cely mechanizmus a pozadie meraku:
Z VU metra mam viacero fotiek a aby som to tu nezasypal tak hodim len thumbnaily, tu je detail ramu z vonkajsej pohladovej strany, tam som vytvoril taky akoby mierne lichobeznikovy profil:

Zo zadnej strany je kapsa pre merak a podsvietenie:
Motor vlozeny do vyrezu zo zadnej strany:

zatial bez stupnice, je to sem tam spinave a trochu omuchlane, zatial len koncept
Cely komplet bude prichyteny o ramcek dlhou uzkou DPSkou ktora zaroven plni ucel prepojenia LEDiek a motora na IDC kabel ktory sa zapoji do log amp dosky:





















Podpora
Nahrát obrázek