#1 12. 10. 2024 12:54 (upravil hrdstl_rebirth 13. 10. 2024 11:20)
#2 12. 10. 2024 14:11 (upravil PMA 12. 10. 2024 14:11)
Re: Predzosilovač/sluchatkač bez globalnej spätnej väzby GainWire
Je tam zpětných vazeb, kam oko pohlédne. Nálepka “bez zpětné vazby” je jen taková mucholapka. Nesmyslná mucholapka.
Re: Predzosilovač/sluchatkač bez globalnej spätnej väzby GainWire
asi mysleli "bez celkové zpětné vazby" . Ale je to zavádějící, to je fakt.
Re: Predzosilovač/sluchatkač bez globalnej spätnej väzby GainWire
To zkus 
Hodit nejdřív na osciloskop...
#5 16. 10. 2024 13:03 (upravil hrdstl_rebirth 16. 10. 2024 13:04)
Re: Predzosilovač/sluchatkač bez globalnej spätnej väzby GainWire
Tak je to tu, osadenie bez chybičky, ...sam sa tomu divim pri takom počte trandov.
Kluďak vystupneho buferu 185mA / 13,5V, chladiče dosť hreju DC ofset bez serva do 100mV so servom 1,5mV
Už len to hodiť do krabice a testnuť ušami ake to bude zvukovo, sam som zvedavy.
Re: Predzosilovač/sluchatkač bez globalnej spätnej väzby GainWire
Nemáš jednu DPS voľnú? Rád by som si to vypočul.
#8 17. 10. 2024 20:18 (upravil 18. 10. 2024 13:37)
Re: Predzosilovač/sluchatkač bez globalnej spätnej väzby GainWire
Poslal som ti mail.
Re: Predzosilovač/sluchatkač bez globalnej spätnej väzby GainWire
Dnes som to narychlo pozapajal, počuval som to len ako preamp a môžem potvrdiť že to hra u mna super.
a, smsl mda raw 1+ smsl h400 + koncak SA2014 (2x 400W) , ...neviem nemôžem si doteraz zvyknuť na ten zvuk chybaju mi tam tie najhlbšie basy riešil som to aj s dawsom ale zrejmu budu na vine repra, ...tuto kombinaciu hodnotim na 70%
b, smsl mda raw 1 + koncak SA2014 (2x 400W), zvuk je ešte horši stredy vysky ok ale basy su ešte viac plastove take umele... 60%
c, smsl mda raw 1 + gainwire, zvuk nabral na dynamike zrazu tam je aj viac basov ako v zapojeni a, 80%
Pride mi ako by bol na vine ten dac, nelezie z neho ten drajv aky som si predstavoval.
GainWire hodnotim velmi pozitivne, je to super mašina oproti SMSL o niečo viac šumi ale nie je to nič hrozne. Na pozicii P1 mam 48 krokovy attenuator, a ten musim vymeniť asi za modry alps, totiž medzi každym krokom je silny lupanec.
Re: Predzosilovač/sluchatkač bez globalnej spätnej väzby GainWire
Na pozicii P1 mam 48 krokovy attenuator, a ten musim vymeniť asi za modry alps, totiž medzi každym krokom je silny lupanec.
u tak draheho bych čekal že nebude lupat- při přepinani se mezipolohy zkratuji , což umi i řadič tesla a jine..
Re: Predzosilovač/sluchatkač bez globalnej spätnej väzby GainWire
hrdstl_rebirth
napisal by som na tvojom mieste do Khozmo...mam od neho attenuator ,nie jeden, a funguju bezchybne...
Re: Predzosilovač/sluchatkač bez globalnej spätnej väzby GainWire
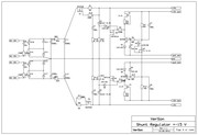
a, pri gainwire mk3 bola regulacia na vstupe (zoslaboval sa vstupny signal), tam to bolo ok
b, pri gainwire non gnfb za reguluje zisk, a tuto to už vadi 
Re: Predzosilovač/sluchatkač bez globalnej spätnej väzby GainWire
Myslím, že kondezátor by měl být před P1. Takhle skokově přepínáš DC napětí na výstupu prvního stupně.
#15 22. 10. 2024 14:42 (upravil orhore 22. 10. 2024 14:43)
Re: Predzosilovač/sluchatkač bez globalnej spätnej väzby GainWire
Budeš tam mít DC offset lezoucí z toho vstupního zesu. Zkus změřit stejnosměrné napětí na spojnici R28 a P1. Zisk se reguluje jen změnou odporu proti zemi?
YRY byl rychlejší 
#16 22. 10. 2024 14:50 (upravil hrdstl_rebirth 22. 10. 2024 15:19)
Re: Predzosilovač/sluchatkač bez globalnej spätnej väzby GainWire
Na P1 su jednotky mV
Zisk ja dany P1/R19
Na P1 pred kondezatorom bolo v jednom kanale 48mV a v druhom 38mV, vytrimroval som to blizko 0mV a lupance zrazu zmizli
žeby to malo až taky vplyv?
No zajtra ešte dorobiť sluchatkovy vystup, ...ale v každom pripade zvuk sa polepšil 
Re: Predzosilovač/sluchatkač bez globalnej spätnej väzby GainWire
hrdstl_rebirth
to aby som Ti poslal na otestovanie https://postlmg.cc/mP6v1CCc














Podpora
Nahrát obrázek